Доставка по всему миру

Panic замок BMH 1013

Добавить в список желаний
As low as 37,69 €

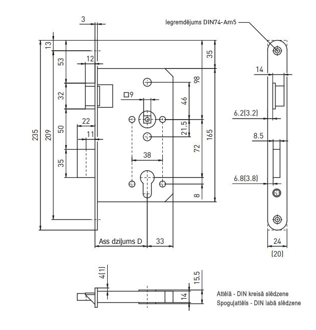
Замок для аварийного выхода BMH 1013 D PZ 72/55/20

Соответствует требованиям пожарной безопасности согласно EN 1634-1 и DIN 4102-18
Соответствует техническим требованиям EN 179 для аварийных выходов и техническим требованиям EN 1125 для дверей с функцией «антипаника»
Функция panic - D
Замок совместим с раздельным штоком аварийной ручки двери и соответствующими дверными ручками

В наличии
Осталось всего %1
SKU
BM05952501
Нет прикреплений!
Подробная информация
Вес, кг 0.700000
Название модели BMH 1013 D
Материал Нержавеющая сталь
Тип замка Одноточечные замки
Тип действия замка Механическиe
Цель применения Для наружных дверей
Материал дверного полотна Деревянные и металлические двери
Огнеупорность Подходит для огнеупорных дверей
Для эвакуационных дверей Соответствует EN179
Бренд BMH
Гарантия производителя 24 месяцa
Размеры упаковки, мм 235 x 90 x 24

Panic замок BMH 1013

As low as 37,69 €